ho un vecchio nokia 7650 che per interesse e curiosità ho smontato.
con sorpresa, non sapendo come poteva essere integrata la digital camera
ho visto che si collega alla "sheda madre" tramite dei pin, come quelli che leggono le sim dei cellulari, perciò volevo vedere di capire cosa passa per questi pin e trasfomare la digital camera in una web cam.
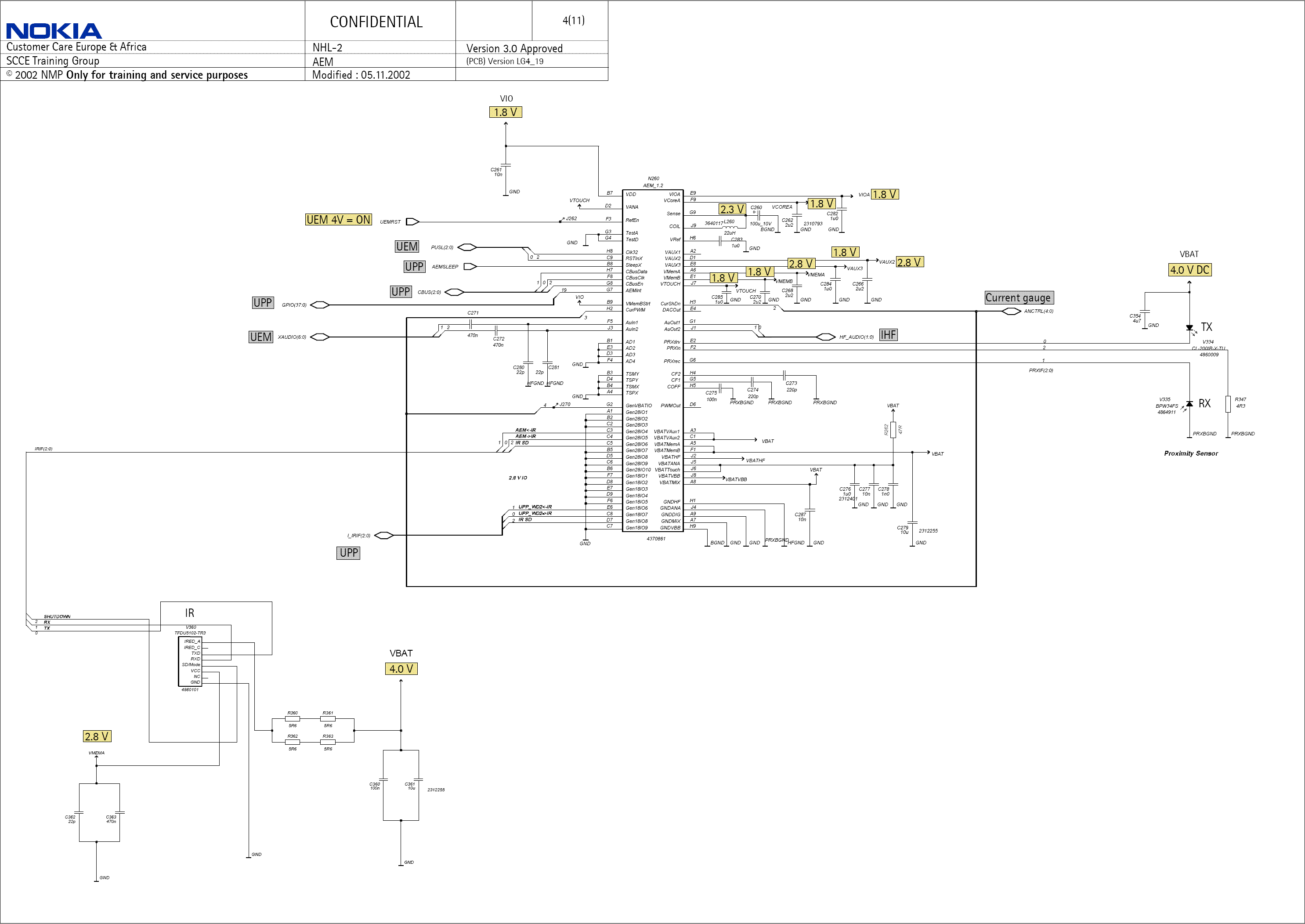
altro delucidazioni invece cerco per lo schermo che mi piacerebbe adattare al mio computer per montarlo sul case, allego le tavole dei circuiti che ho trovato su internet sperando che qualcuno più esperto di me in elettronica possa aiutarmi

